Jak montować czujnik czadu, aby zapewnić bezpieczeństwo w domu
Dowiedz się, jak prawidłowo zainstalować czujnik czadu, aby zapewnić bezpieczeństwo w domu. Sprawdź instrukcję montażu i najlepsze miejsca na czujnik.
Dowiedz się, jak prawidłowo zainstalować czujnik czadu, aby zapewnić bezpieczeństwo w domu. Sprawdź instrukcję montażu i najlepsze miejsca na czujnik.
Czujnik czadu pokazuje LB – co to znaczy? Sprawdź, jak rozwiązać ten problem, wymienić baterię i zapewnić bezpieczeństwo. Dowiedz się więcej o błędzie LB!
Wybierz najlepsze pellet do metody na karpia, aby zwiększyć swoje szanse na udane połowy. Sprawdź, jakie pellet proteinowe i przynęty są najskuteczniejsze!
Dowiedz się, jak ustawić pompę ciepła Dimplex, aby uniknąć problemów z instalacją. Poznaj kluczowe porady dotyczące konfiguracji i serwisu urządzenia.
Czy wiesz, pod jakie rośliny stosować popiół z pelletu? Sprawdź, jak działa jako nawóz, które rośliny go lubią i jak uniknąć błędów w nawożeniu.
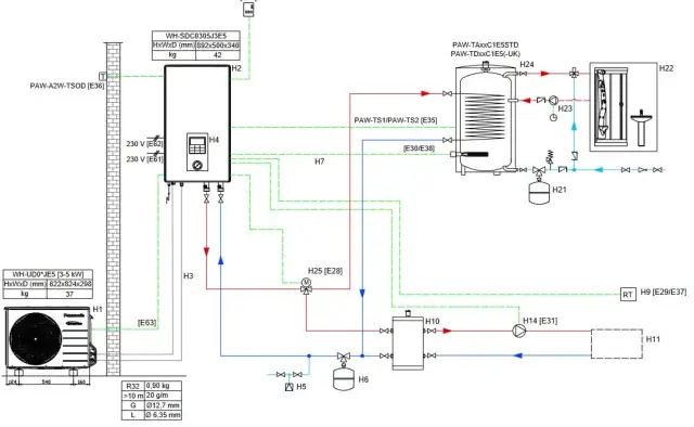
Czy pompa ciepła może pracować cały czas? Sprawdź korzyści, wady i wpływ ciągłej pracy na żywotność urządzenia oraz efektywność energetyczną.
Dowiedz się, jak długo nagrzewa się woda w bojlerze i co wpływa na ten czas. Poznaj sposoby na skrócenie czasu nagrzewania oraz optymalne ustawienia temperatury.
Dowiedz się, jak się robi pellet z drewna i biomateriałów. Poznaj proces produkcji, surowce i maszyny do produkcji pelletu oraz ich zastosowanie.
Porównaj pellet Olimp czy Barlinek i wybierz najlepsze pellety do ogrzewania. Sprawdź ich certyfikaty i efektywność, aby podjąć świadomą decyzję.
Dowiedz się, jak wyczyścić bojler z kamienia domowymi sposobami i środkami chemicznymi. Skuteczne metody, które zapobiegają awariom i przedłużają żywotność urządzenia.
Ile prądu zużywa bojler? Sprawdź, jak moc grzałki i pojemność wpływają na oszczędność energii i rachunki za prąd. Porównaj różne modele bojlerów.
Ile kosztuje pellet w Niemczech? Sprawdź aktualne ceny, porównaj oferty i dowiedz się, jak oszczędzać na zakupie pelletu drzewnego.
Dowiedz się, jakie ciśnienie w centralnym ogrzewaniu jest optymalne (1-2 bar) i jak je regulować, aby uniknąć awarii. Sprawdź, jak kontrolować ciśnienie w instalacji grzewczej.
Dowiedz się, gdzie zamontować zawór bezpieczeństwa w bojlerze, aby uniknąć awarii i zagrożeń. Poznaj zasady montażu i wyboru odpowiedniego zaworu dla bezpiecznej pracy urządzenia.
Poznaj optymalną temperaturę zasilania ogrzewania podłogowego. Sprawdź porady dotyczące ustawień i efektywności systemów ogrzewania podłogowego na forum.
Wybierz idealny piec na pellet do domu 180m2, uwzględniając moc i koszty eksploatacji. Sprawdź porady dotyczące efektywnego ogrzewania!
Oblicz kaloryczność pelletu, aby zwiększyć efektywność grzewczą. Dowiedz się, jakie rodzaje pelletów wybrać i jak ich wartość opałowa wpływa na ogrzewanie.
Dowiedz się, gdzie zamontować czujnik czadu w kotłowni, aby zapewnić bezpieczeństwo. Poznaj optymalne miejsce, zasady montażu i uniknij zagrożenia tlenkiem węgla.
Wybór odpowiedniej pompy ciepła do domu 250m2 to klucz do oszczędności. Sprawdź moc, koszty i efektywność energetyczną pomp ciepła powietrznych i gruntowych.
Dowiedz się, jak ustawić pompę ciepła NIBE, aby uniknąć problemów z ogrzewaniem. Optymalizacja ustawień i konfiguracja pompy zapewnią efektywne działanie.
Dowiedz się, jaki przewód do pompy ciepła wybrać, aby uniknąć błędów i zapewnić bezpieczeństwo instalacji. Sprawdź przekrój, rodzaje kabli i praktyczne porady.
Zastanawiasz się, jaki bojler wybrać: pionowy czy poziomy? Porównaj ich wydajność, koszty eksploatacji i instalację, aby zaoszczędzić miejsce i pieniądze.
Dowiedz się, jaką grzałkę do bojlera 200l wybrać, aby uniknąć błędów i zapewnić efektywne podgrzewanie wody. Sprawdź ceny, modele i porady montażowe.
Dowiedz się, dlaczego włącza się grzałka w pompie ciepła oraz jak poprawić jej efektywność i zredukować koszty eksploatacji.
Dowiedz się, jak ułożyć ogrzewanie podłogowe krok po kroku – od przygotowania podłoża po montaż systemu. Unikaj błędów i zapewnij komfort cieplny w swoim domu.
Dowiedz się, jak działa ogrzewanie na podczerwień, poznaj jego zalety, wady i zasady działania. Sprawdź, dlaczego to efektywne rozwiązanie zyskuje popularność.
Czy pellet będzie zakazany? Sprawdź aktualne przepisy dotyczące pelletu, przyszłość paliw stałych w Polsce oraz dostępne alternatywy dla pelletu.